+86-0523-83274900
Storz adapter csatlakozók - Férfi Machino
Otthon / Termék / Adapterek / Storz adapter csatlakozók - Férfi Machino

Storz adapter csatlakozók - Férfi Machino

Az adapter kapcsolókat a különböző szabványok és a szerelvények típusai közötti csatlakoztatáshoz vagy átalakításhoz használják. Ezek lehetővé teszik, hogy az egyébként nem kompatibilis interfészek zökkenőmentesen kapcsolódjanak egymáshoz.

Az adapter tengelykapcsolók tartalmazzák, de nem korlátozódnak a következőkre: Német Storz-tól (férfi/nő), német erdőgazdálkodás, német és német önzárás, német és karima, német és több fogú, Storz férfi és Storz nő, Storz az erdészeti és stb.
Minden típusú adapter tengelykapcsoló kérésre testreszabható.

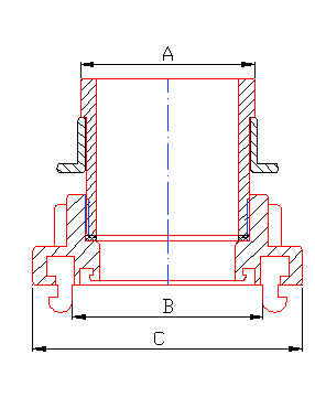
Méretek Erőforrás

Tétel nem.

Din/mm

Dia

A/MM

B/MM

C/MM

/

25/40

1 "/1.5"

29

53

82

25/50

1 "/2"

29

66

98

25/65

1 "/2.5"

29

76

110

25/80

1 "/3"

29

89

126

40/40

1.5 "/1.5"

43.6

53

82

40/50

1.5 "/2"

43.6

66

98

40/65

1.5 "/2.5"

43.6

76

110

40/80

1.5 "/3"

43.6

89

126

50/50

2 "/2"

55.6

66

98

50/65

2 "/2.5"

55.6

76

110

50/80

2 "/3"

55.6

89

126

65/65

2,5 "/2.5"

68.5

76

110

65/80

2.5 "/3"

68.5

89

126

80/80

3 "/3"

81.5

89

126

* Az anyagok és a gyártási folyamatok kérésre testreszabhatók.
* Egyéb követelmények (például működési nyomás, robbanásnyomás stb.) Szükség szerint testreszabhatók.

Jiangsu Jinding Tűzvédelmi Technology Co., Ltd.
A Jiangsu Jinding Fire Protection Technology Co., Ltd. -t, a Jiang Su Xinghua Gazdasági Fejlesztési Zónában, 1998 -ban alapították. Ez egy ipari vállalat, amely integrálja a tervezést, a fejlesztést, a gyártást és az értékesítést. A vállalat elfogadta az ISO9001: 2015 Minőségrendszer tanúsítását és a termék önkéntes tanúsítását, és a kapcsolódó termékek megszerezték a Nemzeti Tűzoltóság Minőségi Felügyeleti és Ellenőrzési Központ ellenőrzési jelentését.
Cégünk főként különféle termékeket gyárt, beleértve a tűzoltó csatlakozókat, vízfúvókákat, tűzcsapokat, nagy átmérőjű csőcsatlakozókat és olajmezői vízellátó csatlakozókat. Ezeket a termékeket széles körben használják a tűzvédelemben, a kőolajiparban, a vegyiparban, a katonai és más iparágakban.
A vállalat jó független K + F képességgel rendelkezik, és teljes termelési folyamatokkal rendelkezik, mint például a penészgyártás, a gyártás feldolgozása és a termékvizsgálat. Ugyanakkor a vállalkozás fontosnak tartja az ügyfelek igényeit, időben megragadja a piaci dinamikát, folyamatosan fejleszti és előállítja az új termékeket, és megnyeri az új és a régi ügyfelek bizalmát és dicséretét.
A cég megbízható szállítást biztosít Storz adapter csatlakozók - Férfi Machino és professzionális szolgáltatásokat nyújtunk, melyek minőségi elkötelezettségen és együttműködő partnerségeken alapulnak, és fenntartható együttműködési kapcsolatok kiépítésére törekszünk az ügyfelekkel..
27+

27 éves ipar Gyártási élmény

Tanúsítványok
Hír
Beszéljünk egy beszélgetést
Csak köszönj, és elindítunk egy eredményes együttműködést. Indítsa el a saját sikertörténetét.
Szüksége van felszerelésre a vállalkozásához?
Hagyja, hogy csapatunk egyedi megoldásokat kínáljon Önnek.