+86-0523-83274900
Storz adapter kapcsolók - karimás
Otthon / Termék / Adapterek / Storz adapter kapcsolók - karimás

Storz adapter kapcsolók - karimás

Az adapter kapcsolókat a különböző szabványok és a szerelvények típusai közötti csatlakoztatáshoz vagy átalakításhoz használják. Ezek lehetővé teszik, hogy az egyébként nem kompatibilis interfészek zökkenőmentesen kapcsolódjanak egymáshoz.

Az adapter tengelykapcsolók tartalmazzák, de nem korlátozódnak a következőkre: Német-Storz (férfi/nő), német erdőgazdálkodás, német és német önzárás, német és karima, német és több fogak között, Storz-férfiak és Storz nő, Storz az erdészeti és stb.
Minden típusú adapter tengelykapcsoló kérésre testreszabható.

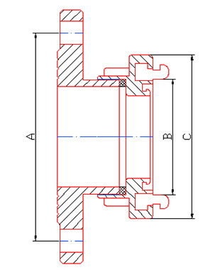
Méretek Erőforrás

Tétel nem.

Din/mm

Dia

A/MM

B/MM

C/MM

/

80

3 "

160

89

126

Small100

4 "

180

115

156

Kicsi 100 (amerikai szabvány)

4 "

190.5

115

156

Nagy 100

4 "

180

133

182

Big 100 (amerikai szabvány)

4 "

190.5

133

182

150

6 "

240

160

215

150 (American Standard)

6 "

241.3

160

215

200

8 "

295

220

280

200 (American Standard)

8 "

298.5

220

280

250

10 "

355

278

339

250 (American Standard)

10 "

362

278

339

300

12 "

410

316

384

300 (American Standard)

12 "

431.8

316

384

350

14 "

470

366

448

350 (American Standard)

14 "

476.3

366

448

* Az anyagok és a gyártási folyamatok kérésre testreszabhatók.
* Egyéb követelmények (például működési nyomás, robbanásnyomás stb.) Szükség szerint testreszabhatók.

Jiangsu Jinding Tűzvédelmi Technology Co., Ltd.
A Jiangsu Jinding Fire Protection Technology Co., Ltd. -t, a Jiang Su Xinghua Gazdasági Fejlesztési Zónában, 1998 -ban alapították. Ez egy ipari vállalat, amely integrálja a tervezést, a fejlesztést, a gyártást és az értékesítést. A vállalat elfogadta az ISO9001: 2015 Minőségrendszer tanúsítását és a termék önkéntes tanúsítását, és a kapcsolódó termékek megszerezték a Nemzeti Tűzoltóság Minőségi Felügyeleti és Ellenőrzési Központ ellenőrzési jelentését.
Cégünk főként különféle termékeket gyárt, beleértve a tűzoltó csatlakozókat, vízfúvókákat, tűzcsapokat, nagy átmérőjű csőcsatlakozókat és olajmezői vízellátó csatlakozókat. Ezeket a termékeket széles körben használják a tűzvédelemben, a kőolajiparban, a vegyiparban, a katonai és más iparágakban.
A vállalat jó független K + F képességgel rendelkezik, és teljes termelési folyamatokkal rendelkezik, mint például a penészgyártás, a gyártás feldolgozása és a termékvizsgálat. Ugyanakkor a vállalkozás fontosnak tartja az ügyfelek igényeit, időben megragadja a piaci dinamikát, folyamatosan fejleszti és előállítja az új termékeket, és megnyeri az új és a régi ügyfelek bizalmát és dicséretét.
A cég megbízható szállítást biztosít Storz adapter kapcsolók - karimás és professzionális szolgáltatásokat nyújtunk, melyek minőségi elkötelezettségen és együttműködő partnerségeken alapulnak, és fenntartható együttműködési kapcsolatok kiépítésére törekszünk az ügyfelekkel..
27+

27 éves ipar Gyártási élmény

Tanúsítványok
Hír
Beszéljünk egy beszélgetést
Csak köszönj, és elindítunk egy eredményes együttműködést. Indítsa el a saját sikertörténetét.
Szüksége van felszerelésre a vállalkozásához?
Hagyja, hogy csapatunk egyedi megoldásokat kínáljon Önnek.