+86-0523-83274900
Storz reteszelő menetes tengelykapcsoló
Otthon / Termék / Szabványos kapcsolók / Adott tengelykapcsolók / Storz reteszelő kapcsolók / Storz reteszelő menetes tengelykapcsoló

Storz reteszelő menetes tengelykapcsoló

A Storz reteszelő menetes tengelykapcsoló a Storz tengelykapcsoló -sorozathoz tartozik, az egyik végével egy Belső vagy külső szál és a másik vége van a Storz reteszelő tengelykapcsoló.
Ez a kapcsolás hozzászokott Csatlakoztassa a tűzoltó tömlőket és a tűzoltó berendezéseket (például tűzszivattyúk, tűzoltó tömlők és tűzcsapok).
Ez a sorozat elsősorban nagy méretben kapható, míg a kisebb méretek kérésre testreszabhatók.

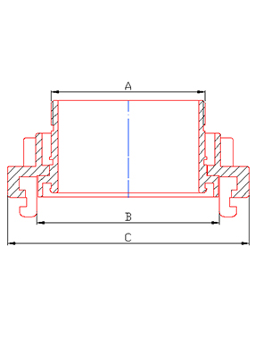
Méretek Erőforrás

Tétel nem.

Din/mm

Dia

A/MM

B/MM

C/MM

/

100

4 "

M100*3

115

156

125

5 "

M125*3

148

196

150

6 "

M145*3

160

215

200

8 "

M200*4

220

280

250

10 "

M255*4

278

339

300 (3Teeth)

12 "

M290*4

316

384

350

14 "

M350*4

336

448

* Az anyagok és a gyártási folyamatok kérésre testreszabhatók.
* Egyéb követelmények (például működési nyomás, robbanásnyomás stb.) Szükség szerint testreszabhatók.

Jiangsu Jinding Tűzvédelmi Technology Co., Ltd.
A Jiangsu Jinding Fire Protection Technology Co., Ltd. -t, a Jiang Su Xinghua Gazdasági Fejlesztési Zónában, 1998 -ban alapították. Ez egy ipari vállalat, amely integrálja a tervezést, a fejlesztést, a gyártást és az értékesítést. A vállalat elfogadta az ISO9001: 2015 Minőségrendszer tanúsítását és a termék önkéntes tanúsítását, és a kapcsolódó termékek megszerezték a Nemzeti Tűzoltóság Minőségi Felügyeleti és Ellenőrzési Központ ellenőrzési jelentését.
Cégünk főként különféle termékeket gyárt, beleértve a tűzoltó csatlakozókat, vízfúvókákat, tűzcsapokat, nagy átmérőjű csőcsatlakozókat és olajmezői vízellátó csatlakozókat. Ezeket a termékeket széles körben használják a tűzvédelemben, a kőolajiparban, a vegyiparban, a katonai és más iparágakban.
A vállalat jó független K + F képességgel rendelkezik, és teljes termelési folyamatokkal rendelkezik, mint például a penészgyártás, a gyártás feldolgozása és a termékvizsgálat. Ugyanakkor a vállalkozás fontosnak tartja az ügyfelek igényeit, időben megragadja a piaci dinamikát, folyamatosan fejleszti és előállítja az új termékeket, és megnyeri az új és a régi ügyfelek bizalmát és dicséretét.
A cég megbízható szállítást biztosít Storz reteszelő menetes tengelykapcsoló és professzionális szolgáltatásokat nyújtunk, melyek minőségi elkötelezettségen és együttműködő partnerségeken alapulnak, és fenntartható együttműködési kapcsolatok kiépítésére törekszünk az ügyfelekkel..
27+

27 éves ipar Gyártási élmény

Tanúsítványok
Hír
Beszéljünk egy beszélgetést
Csak köszönj, és elindítunk egy eredményes együttműködést. Indítsa el a saját sikertörténetét.
Szüksége van felszerelésre a vállalkozásához?
Hagyja, hogy csapatunk egyedi megoldásokat kínáljon Önnek.