+86-0523-83274900
Storz menetes tengelykapcsoló-kicsi

Storz menetes tengelykapcsoló-kicsi

A Storz menetes csatolása a Storz tengelykapcsoló -sorozathoz tartozik, az egyik vége egy Belső vagy külső szál és a másik vége van a Storz karom típusú tengelykapcsoló.
Ez a kapcsolás hozzászokott Csatlakoztassa a tűzoltó tömlőket és a tűzoltó berendezéseket (például tűzszivattyúk, tűzoltó tömlők és tűzcsapok).
A tartomány A kis méretű előállítás 20-65.

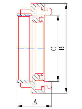
Méretek Erőforrás

Tétel nem.

Din/mm

Dia

A/MM

B/MM

C/MM

Ky-m

KY-F

25

1 "

39.7

55

31

40

1.5 "

39.5

79

52

50

2 "

52

98

66

65

2.5 "

52

118

81

80

3 "

55

126

89

100

4 "

60

156

115

110

大 4 "

63

182

133

125

5 "

66

196

148

150

6 "

80

215

160

* Az anyagok és a gyártási folyamatok kérésre testreszabhatók.
* Egyéb követelmények (például működési nyomás, robbanásnyomás stb.) Szükség szerint testreszabhatók.

Jiangsu Jinding Tűzvédelmi Technology Co., Ltd.
A Jiangsu Jinding Fire Protection Technology Co., Ltd. -t, a Jiang Su Xinghua Gazdasági Fejlesztési Zónában, 1998 -ban alapították. Ez egy ipari vállalat, amely integrálja a tervezést, a fejlesztést, a gyártást és az értékesítést. A vállalat elfogadta az ISO9001: 2015 Minőségrendszer tanúsítását és a termék önkéntes tanúsítását, és a kapcsolódó termékek megszerezték a Nemzeti Tűzoltóság Minőségi Felügyeleti és Ellenőrzési Központ ellenőrzési jelentését.
Cégünk főként különféle termékeket gyárt, beleértve a tűzoltó csatlakozókat, vízfúvókákat, tűzcsapokat, nagy átmérőjű csőcsatlakozókat és olajmezői vízellátó csatlakozókat. Ezeket a termékeket széles körben használják a tűzvédelemben, a kőolajiparban, a vegyiparban, a katonai és más iparágakban.
A vállalat jó független K + F képességgel rendelkezik, és teljes termelési folyamatokkal rendelkezik, mint például a penészgyártás, a gyártás feldolgozása és a termékvizsgálat. Ugyanakkor a vállalkozás fontosnak tartja az ügyfelek igényeit, időben megragadja a piaci dinamikát, folyamatosan fejleszti és előállítja az új termékeket, és megnyeri az új és a régi ügyfelek bizalmát és dicséretét.
A cég megbízható szállítást biztosít Storz menetes tengelykapcsoló-kicsi és professzionális szolgáltatásokat nyújtunk, melyek minőségi elkötelezettségen és együttműködő partnerségeken alapulnak, és fenntartható együttműködési kapcsolatok kiépítésére törekszünk az ügyfelekkel..
27+

27 éves ipar Gyártási élmény

Tanúsítványok
Hír
Beszéljünk egy beszélgetést
Csak köszönj, és elindítunk egy eredményes együttműködést. Indítsa el a saját sikertörténetét.
Szüksége van felszerelésre a vállalkozásához?
Hagyja, hogy csapatunk egyedi megoldásokat kínáljon Önnek.